Aparelho/modelo: Rádio portátil AM/FM RPF M23
Marca: Motorádio
Defeito: Não funciona AM e FM (apenas chiados)
Autor: Alexandre José Nário
Relato:
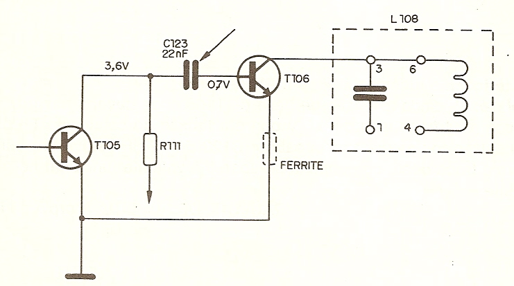
Como o chiado aumentava e diminuia ao mexer no potenciômetro de volume, descartei problemas na etapa de áudio (amplificação de som). Com a ajuda de um injetor de sinais comum, comecei a aplicar o sinal no controle de volume até a antena (entrada de RF) em busca de algum o ponto de interrupção do sinal de rádio foi quando descobri o capacitor cerâmico C123 (22nF) praticamente em curto, ocasionando uma interferência do sinal com a alimentação do estágio anterior. Realizada a sua substituição o problema desapareceu.

Nenhum comentário:
Postar um comentário